Product Details

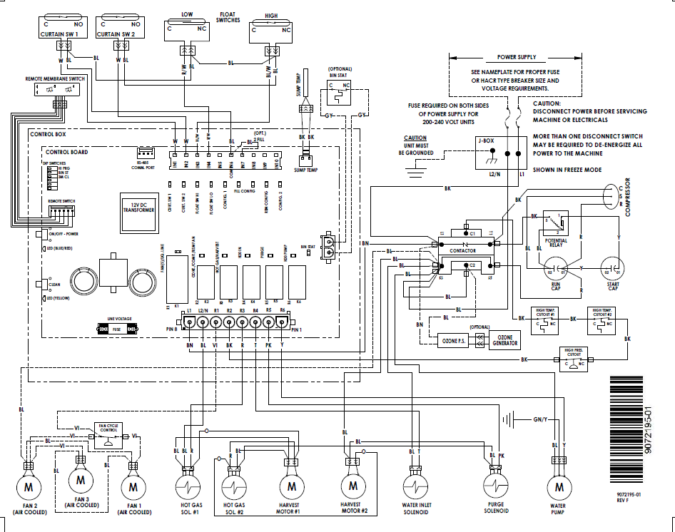
CIM1446HW

Elevation Series™ Modular Cube Ice Maker, water-cooled, self-contained condenser, dual exhaust top/side air discharge, 48" W, approximately 1560 lb production/24 hours at 70°/50° (1440 lb at 90°/70°), half size cube, PURE ICE® built in antimicrobial protection, LED status display, one touch sanitize/descaling controls, dishwasher safe food zone components, cULus, NSF, CE (Replaces ICE1406HW)

Warranty: ice maker-3 years parts & labor; evaporator & compressor-5 years parts ; evaporator-7 years parts & labor (when enrolled in our filter program)


60Hz

208-230/60/1

IOMQXL (2)

No

Water

48"

48.25" x 24.25" x 26.8"

1560

1440

Half Cube